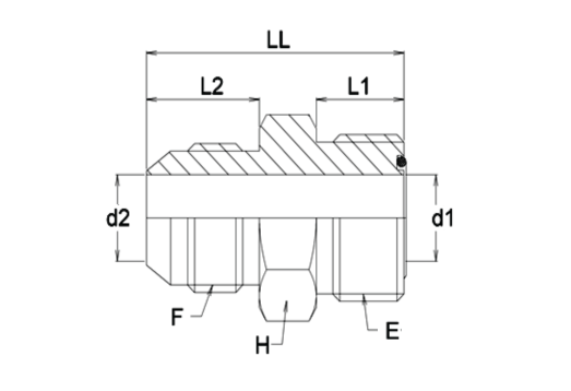
Uitvoering: rechte verbindingsnippel.
Materiaal/coating: standaard Cr(VI) vrij gepassiveerd staal, RVS op aanvraag.
Aansluiting E: UNF buitendraad, afdichting: JIC 74° conus.
Aansluiting F: UNF buitendraad, afdichting: O-ring ORFS.
Code die je kunt gebruiken om snel een product te bestellen |
Nummer van het product |
Hoeveelheid van dit product nog in voorraad
|
De hoeveelheid die u van dit product wilt bestellen
|
|
|---|---|---|---|---|
| Geen beschikbare producten gevonden | ||||